|
公司基本資料信息
|
|||||||||||||||||||||||||||||||
對夾式氣動蝶閥
上海代益閥門專業生產對夾式氣動蝶閥,不銹鋼對夾式氣動蝶閥,法蘭氣動蝶閥,鑄鋼對夾式氣動蝶閥,D671X對夾式氣動蝶閥。
氣動蝶閥是雙(單)作用氣動活塞式執行器與蝶閥組成。連接形式分為對夾式和法蘭式兩種,其閥座采用橡膠、氟橡膠和不銹鋼堆焊,從而很大程度的提高了其適用范圍。具有結構簡、體積小、重量輕等優點。氣動活塞式執行器采用低摩擦材料,缸體內外表面經硬質陽極|
氣動執行器
|
型號
|
QW系列、AT系列、AW系列
|
|
氣源壓力
|
0.4 ~ 0.8 MPa
|
|
|
最大回轉角度
|
90°~92°
|
|
|
回信器
|
AC220V AC110V DC24V
|
|
|
控制信號
|
電信號:0~0Ma 4 ~20Ma 氣信號:0.02 ~0.1 MPa
|
|
|
控制氣源
|
潔凈、干燥壓縮空氣
|
|
|
工作溫度
|
-20℃ ~ +90℃
|
|
名稱
|
型 號
|
公稱壓力
PN(MPa)
|
試驗壓力Ps(MPa)
|
工作溫度
(℃)
|
適用介質
|
|
|
殼體
|
密封
|
|||||
|
氣動橡膠蝶閥
|
D67(4)1X-10
|
1.0
|
1.5
|
1.1
|
-20~80
|
淡水、污水、空氣、蒸汽
|
|
氣動襯四氟蝶閥
|
D67(4)1F-10C
|
1.0
|
1.5
|
1.1
|
≤150
|
腐蝕性介質
|
|
氣動硬密封蝶閥
|
D67(4)3H-10C
|
1.0
|
1.5
|
1.1
|
≤300
|
水、油類、酸類、煤粉等
|
|
零件名稱
|
閥體
|
閥板
|
閥座
|
閥桿
|
填料
|
支架
|
連接軸
|
|
氣動橡膠蝶閥
|
鑄鐵、鑄鋼、不銹鋼
|
鑄鋼(鍍鉻)
|
丁晴橡膠
|
2Cr13
|
柔性石墨
|
鑄鋼
|
鑄鋼
|
|
氣動襯四氟蝶閥
|
鑄鋼、不銹鋼
|
不銹鋼、聚四氟
|
聚四氟
|
2Cr13
|
|||
|
氣動硬密封蝶閥
|
鑄鋼、不銹鋼
|
不銹鋼
|
不銹鋼堆焊
|
2Cr13
|
|
零件名稱
|
缸體
|
端蓋
|
活塞
|
軸
|
O型圈
|
指示軸
|
螺栓
|
|
QW系列
AT系列
|
鋁合金型材
(硬質陽極氧化)
|
壓鑄鋁合金
(環氧樹脂噴涂)
|
壓鑄鋁
|
鋼
(鍍鎳磷合金)
|
NBR
|
ABC
|
SUS304
|
|
AW系列
|
鑄鋼
(硬質陽極氧化)
|
壓鑄鋁
|
鋼
(鍍鎳磷合金)
|
NBR
|
ABC
|
SUS304
|

|
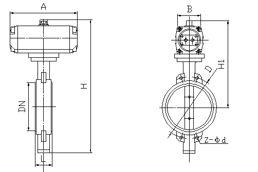
DN
|
L
|
H
|
H1
|
A
|
B
|
D
|
Z-φd
|
執行器型號
|
|
50
|
43
|
310
|
240
|
225
|
86
|
125
|
4-18
|
QW02/AT63D
|
|
65
|
46
|
330
|
260
|
225
|
86
|
145
|
4-18
|
QW02/AT63D
|
|
80
|
46
|
345
|
260
|
225
|
86
|
160
|
8-18
|
QW02/AT75D
|
|
100
|
52
|
365
|
270
|
225
|
86
|
180
|
8-18
|
QW02/AT75D
|
|
125
|
56
|
450
|
330
|
225
|
86
|
210
|
8-18
|
QW03/AT88D
|
|
150
|
56
|
530
|
360
|
225
|
86
|
240
|
8-22
|
QW03/AT88D
|
|
200
|
60
|
590
|
400
|
330
|
98
|
295
|
8-22
|
QW04/AT115D
|
|
250
|
68
|
623
|
420
|
380
|
98
|
350
|
12-22
|
QW05/AT145D
|
|
300
|
78
|
692
|
450
|