| 一、埋地式閘閥簡介: 埋地式閘閥是將整個閥門埋在地下,只露出上面的閥桿。采用將整個閥門的內部包膠技術,使閥門達到很好的密封效果,克服了一般閘閥密封不良、漏水和生銹的現象,更有效的節約安裝空間。可廣泛用于自來水、污水、建筑、石油、化工、食品、醫藥、輕紡、電力、船舶、治金、能源系統等流體管線上作為調節和截流裝置使用。 二、埋地式閘閥特點: 1、埋地式閘閥,驅動方式可選用手動、蝸輪、氣動、電動, 2、連接方式可選用法蘭,結構形式可選用埋地式,密封結構可選用軟密封、硬密封, 3、壓力范圍PN0.1-2.5Mpa,公稱通徑為DN50-600mm, 4、材質可選用鑄鐵、鑄鋼、不銹鋼。 三、埋地式閘閥主要零部件材料: |
|
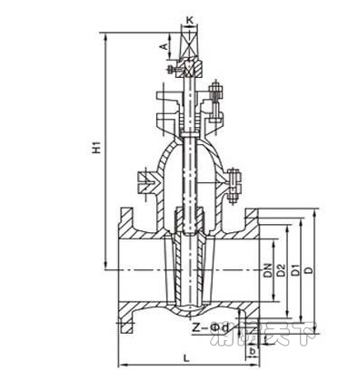
| 四、埋地式閘閥結構圖片: |
![]() |
| 五、埋地式閘閥主要外形連接尺寸: |
|



