一、H41H不銹鋼升降式止回閥:
止回閥又稱為逆流閥、逆止閥、背壓閥、單向閥。這類閥門是靠管路中介質本身的流動產生的力而自動開啟和關閉的,屬于一種自動閥門。止回閥用于管路系統,其主要作用是防止介質倒流、防止泵及其驅動電機反轉,以及容器內介質的泄放。止回閥還可用于給其中的壓力可能升至超過主系統壓力的輔助系統提供補給的管路上。
止回閥又稱為逆流閥、逆止閥、背壓閥、單向閥。這類閥門是靠管路中介質本身的流動產生的力而自動開啟和關閉的,屬于一種自動閥門。止回閥用于管路系統,其主要作用是防止介質倒流、防止泵及其驅動電機反轉,以及容器內介質的泄放。止回閥還可用于給其中的壓力可能升至超過主系統壓力的輔助系統提供補給的管路上。
H41H不銹鋼升降式止回閥選用于公稱壓力PN1.6~6.4MPa,工作溫度-29~550℃的石油、化工、火力電站等各種工況的管路上。適用介質為:水、油品、蒸汽等.
二、結構特點:H41H不銹鋼升降式止回閥
1、選材考究,符合國內、外相關標準,材料的全面質量高。
2、密封副配對先進合理,閥瓣、閥座密封面采用鐵基合金或司太立(Stellite)鈷基硬質合金堆焊面成,耐磨、耐高溫、耐腐蝕、抗擦傷性能好,使用壽命長。
3、產品按國家標準GB/T12235設計制造。
4、可采用各種配管法蘭標準及法蘭密封型式,滿足各種工程需要及用戶要求。
5、閥體材料品種齊全,墊片可根據實際工況或用戶要求合理選配,能適用于各種壓力、溫度及介質工況。
可按用戶要求設計制造不同結構形式和連接形式的止回閥,為各種設備配套使用。
三、主要性能參數:H41H不銹鋼升降式止回閥
二、結構特點:H41H不銹鋼升降式止回閥
1、選材考究,符合國內、外相關標準,材料的全面質量高。
2、密封副配對先進合理,閥瓣、閥座密封面采用鐵基合金或司太立(Stellite)鈷基硬質合金堆焊面成,耐磨、耐高溫、耐腐蝕、抗擦傷性能好,使用壽命長。
3、產品按國家標準GB/T12235設計制造。
4、可采用各種配管法蘭標準及法蘭密封型式,滿足各種工程需要及用戶要求。
5、閥體材料品種齊全,墊片可根據實際工況或用戶要求合理選配,能適用于各種壓力、溫度及介質工況。
可按用戶要求設計制造不同結構形式和連接形式的止回閥,為各種設備配套使用。
三、主要性能參數:H41H不銹鋼升降式止回閥
|
||||||||||||||||||||||||||||||||||||||||||||||
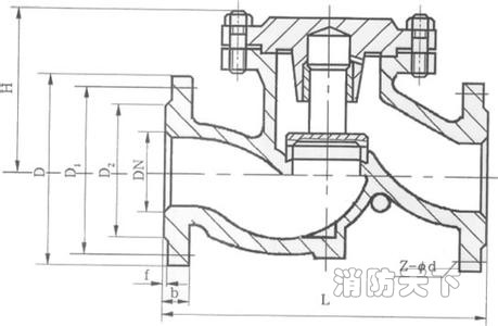
| 四、產品結構圖:H41H不銹鋼升降式止回閥 |

五、主要尺寸及重量:H41H不銹鋼升降式止回閥
|
|||||||||||||||||||||||||||||||||||||||||||||||||||||||||||||||||||||||||||||||||||||||||||||||||||||||||||||||||||||||||||||||||||||||||||


