氣動法蘭球閥,氣動法蘭球閥供應,氣動法蘭球閥價格
1.氣動法蘭球閥概述:
氣動法蘭球閥的工作原理是靠旋轉閥芯來使閥門暢通或閉塞。氣動球閥開關輕便,體積小,可以做成很大口徑,密封可靠,結構 簡單,維修方便,密封面與球面常在閉合狀態,不易被介質沖蝕,在各行業得到廣泛的應用。
2.氣動法蘭球閥用途優點:
氣動球閥在管路中主要用來做切斷速度快、分配和改變介質的流動方向。氣動球閥是近年來被廣泛采用的一種新型閥門,它具有以下優點:
◆流體阻力小,其阻力系數與同長度的管段相等。
◆結構簡單、體積小、重量輕。
◆緊密可靠,目前球閥的密封面材料廣泛使用塑料、密封性好,在真空系統中也已廣泛使用。
◆操作方便,開閉迅速,從全開到全關只要旋轉90°,便于遠距離的控制。
◆維修方便,氣動球閥結構簡單,密封圈一般都是活動的,拆卸更換都比較方便。
◆在全開或全閉時,球體和閥座的密封面與介質隔離,介質通過時,不會引起閥門密封面的侵蝕。
◆適用范圍廣,通徑從小到幾毫米,大到幾米,從高真空至高壓力都可應用。
◆因為氣動球閥動力源采用的是氣體,一般為0.2-0.8MPa壓力,相對比較安全。氣動球閥如果漏氣的話,相對液動、電動來說,氣體可以直接排出,對環境沒有污染,同時具有較高的安全性。
◆相對于手動和渦輪轉動球閥來說,氣動球閥可以大口徑配置,(手動和渦輪轉動球閥一般都在DN300口徑以下,氣動球閥目前可以達到DN1200口徑。)
氣動球閥已廣泛應用于石油、化工、發電、造紙、原子能、航空、火箭等各行業領域中。
◆流體阻力小,其阻力系數與同長度的管段相等。
◆結構簡單、體積小、重量輕。
◆緊密可靠,目前球閥的密封面材料廣泛使用塑料、密封性好,在真空系統中也已廣泛使用。
◆操作方便,開閉迅速,從全開到全關只要旋轉90°,便于遠距離的控制。
◆維修方便,氣動球閥結構簡單,密封圈一般都是活動的,拆卸更換都比較方便。
◆在全開或全閉時,球體和閥座的密封面與介質隔離,介質通過時,不會引起閥門密封面的侵蝕。
◆適用范圍廣,通徑從小到幾毫米,大到幾米,從高真空至高壓力都可應用。
◆因為氣動球閥動力源采用的是氣體,一般為0.2-0.8MPa壓力,相對比較安全。氣動球閥如果漏氣的話,相對液動、電動來說,氣體可以直接排出,對環境沒有污染,同時具有較高的安全性。
◆相對于手動和渦輪轉動球閥來說,氣動球閥可以大口徑配置,(手動和渦輪轉動球閥一般都在DN300口徑以下,氣動球閥目前可以達到DN1200口徑。)
氣動球閥已廣泛應用于石油、化工、發電、造紙、原子能、航空、火箭等各行業領域中。
3.氣動法蘭球閥技術參數:
|
公稱通徑DN(mm)
|
15-250
|
|||
|
公稱壓力PN(MPa)
|
1.6
|
|||
|
公稱壓力PS(MPa)
|
強度試驗
|
2.4
|
||
|
密封試驗
|
1.76
|
|||
|
材料\材料代號
|
C
|
P
|
R
|
|
|
主要零件
|
閥體
|
WCB
|
ZG1Cr18Ni9Ti
|
ZG0Cr18Ni12Mo2Ti
|
|
蝶板
|
2Cr13
|
1Cr18Ni9Ti
|
1Cr18Ni12Mo2Ti
|
|
|
閥桿
|
2Cr13
|
1Cr18Ni9Ti
|
1Cr18Ni12Mo2Ti
|
|
|
密封圈
|
增強聚四氟乙烯 對位聚苯
|
|||
|
填料
|
聚四氟乙烯 柔性石墨
|
|||
|
適用工況
|
適用介質
|
水、蒸汽、油品
|
硝酸類
|
醋酸類
|
|
適用溫度
|
-28℃~300℃
|
|||
|
執行器
|
型號
|
BAW系列、GT系列、SW系列
|
||
|
氣源壓力
|
0.4-0.7Mpa
|
|||
備注:
◆請在訂貨時提供詳細口徑規格、交貨地地、交貨時間。
◆根據管道需要,決定選用往復式(二位開關式)或彈簧復位式(常閉或常開式)。
◆可選配控制附件:(1)單電控電磁閥(斷電進常閉或常開),(2)雙電控電磁閥(開關式),(3)閥位開關回訊器,(4)氣源處理三聯件。特殊使用環境(易燃易爆場合),何選防爆型。
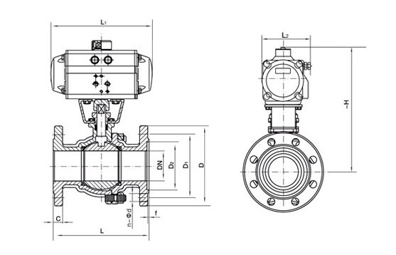
3.氣動法蘭球閥圖紙及主要尺寸:

|
公稱通徑DN(mm)
|
尺寸(mm)
|
執行器型號
|
||||||
|
L
|
D
|
D1
|
D2
|
b
|
f
|
Z-Φd
|
||
|
15
|
108
|
95
|
65
|
45
|
14
|
2
|
4-14
|
GT52/GT63K
|
|
20
|
117
|
105
|
75
|
55
|
14
|
4-14
|
GT63/GT63K
|
|
|
25
|
127
|
115
|
85
|
65
|
14
|
4-14
|
GT63/GT83K
|
|
|
32
|
140
|
135
|
100
|
78
|
16
|
4-18
|
GT83/GT83K
|
|
|
40
|
165
|
145
|
110
|
85
|
16
|
3
|
4-18
|
GT83/GT110K
|
|
50
|
178
|
160
|
125
|
100
|
16
|
4-18
|
GT83/GT110K
|
|
|
65
|
190
|
180
|
145
|
120
|
18
|
4-18
|
GT110/GT127K
|
|
|
80
|
203
|
195
|
160
|
135
|
20
|
8-18
|
GT127/GT127K
|
|
|
100
|
305
|
215
|
180
|
155
|
20
|
8-18
|
GT127/GT160K
|
|
|
125
|
256
|
245
|
210
|
185
|
22
|
8-18
|
GT160/GT190K
|
|
|
150
|
394
|
280
|
240
|
210
|
24
|
8-23
|
GT190/GT210K
|
|
|
200
|
457
|
335
|
295
|
265
|
26
|
12-23
|
GT254/BAW20S
|
|
|
250
|
533
|
405
|
335
|
320
|
30
|
12-25
|
BAW17/BAW20S
|
|
氣動法蘭球閥,氣動法蘭球閥供應,氣動法蘭球閥價格


