產品介紹
進口氣動套筒調節閥是由氣動多彈簧薄膜執行機構和套筒閥組成,套筒閥由于閥芯采用了套筒平衡式結構的因而閥桿上不平衡力很小,穩定性好,適用于閥兩端壓差較高的場合。由于閥芯凹于套筒的側導向,受渦流沖擊所產生的振動被減弱。故具有噪音低、空化作用小、壽命長等
產品詳情
德國萊克LIK品牌,進口氣動套筒調節閥是由氣動多彈簧薄膜執行機構和套筒閥組成,套筒閥由于閥芯采用了套筒平衡式結構的因而閥桿上不平衡力很小,穩定性好,適用于閥兩端壓差較高的場合。由于閥芯凹于套筒的側導向,受渦流沖擊所產生的振動被減弱。故具有噪音低、空化作用小、壽命長等優點。廣泛應用與精確控制氣體、液體等介質,工藝參數如壓力、流量、溫度、液位保持在給定值。特別適用于流量大、壓差大、泄漏量要求不高的場合。

進口氣動套筒調節閥 技術參數
| 公稱通徑(DN) | 20 | 25 | 32 | 40 | 50 | 65 | 80 | 100 | 125 | 150 | 200 | 250 | 300 | |
|---|---|---|---|---|---|---|---|---|---|---|---|---|---|---|
| 閥座直徑(dn) | 20 | 25 | 32 | 40 | 50 | 65 | 80 | 100 | 125 | 150 | 200 | 250 | 300 | |
| 額定流量系數(KV) | 直線 | 10 | 11 | 17.6 | 27.5 | 44 | 69 | 110 | 176 | 275 | 440 | 630 | 1000 | 1600 |
| 等百分 | 6.3 | 10 | 16 | 25 | 40 | 63 | 100 | 155 | 250 | 370 | 580 | 900 | 1300 | |
| 允許壓差(MPa) | 6.4 | 6.4 | 5.2 | 5.2 | 4.6 | 4.6 | 3.7 | 3.7 | 3.5 | 3.1 | 3.1 | 2.6 | 2.2 | |
| 公稱壓力(MPa) | 1.6、2.5、4.0、6.4、10.0 | |||||||||||||
| 額定行程(mm) | 16 | 25 | 40 | 60 | 100 | |||||||||
| 配用執行器型號 | ZHA/B-22 | ZHA/B-23 | ZHA/B-34 | ZHA/B-45 | ZHA/B-56 | |||||||||
| 閥蓋形式 | 標準型(-17~+250℃)、高溫型(+250~+450℃)、低溫型(-40~-196℃)、波紋管密封型(-40~+350℃) | |||||||||||||
| 壓蓋形式 | 螺栓壓緊式 | |||||||||||||
| 密封填料 | V型聚四氟乙烯填料、V型柔性石墨填料 | |||||||||||||
| 閥芯形式 | 平衡式閥芯(套筒導向) | |||||||||||||
| 流量特性 | 直線性、等百分比 | |||||||||||||
進口氣動套筒調節閥零部件參數
| 零部件 | 材質 | |||
|---|---|---|---|---|
| 閥體 | WCB(ZG25) | CF8(304) | CF8M(316) | CF3M(316L) |
| 閥座 | 304 | 304 | 316 | 316L |
| 閥芯 | 304 | 304 | 316 | 316L |
| 墊片 | PTFE、金屬石墨纏繞墊片 | |||
| 閥蓋 | WCB(ZG25) | CF8(304) | CF8M(316) | CF3M(316L) |
| 密封填料 | PTFE、柔性石墨、對位聚苯 | |||
| 填料壓蓋 | 304 | 304 | 316 | 316L |
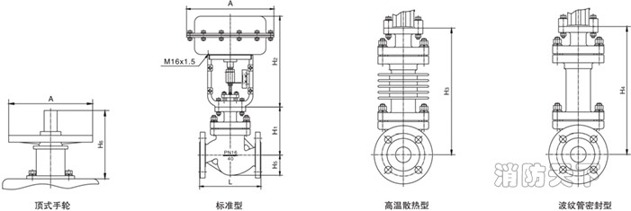
進口氣動套筒調節閥結構圖

進口氣動套筒調節閥性能參數
| 項目 | 不帶定位器 | 帶定位器 | ||
|---|---|---|---|---|
| 基本誤差% | ±5.0 | ±1.0 | ||
| 回差% | 3.0 | 1.0 | ||
| 死區% | 3.0 | 0.4 | ||
| 始終點偏差% | 氣開 | 始點 | ±2.5 | ±1.0 |
| 始點 | ±5.0 | ±1.0 | ||
| 氣關 | 始點 | ±5.0 | ±1.0 | |
| 終點 | ±2.5 | ±1.0 | ||
| 額定行程偏差% | ≤2.5 | |||
| 泄露量L/h | 0.01%×閥額定容量 | |||
| 可調范圍R | 30:1 |
|||


